提升结构加固公司资质等级需要从多方面着手,具体包括:公司需确保其拥有合法的营业执照和相应的资质证书。要不断更新和完善公司的技术设备,提高施工质量与效率。公司应积极参与行业交流与合作,通过案例积累经验,提升品牌影响力。注重人才培养和引进,建立一支高素质的专业技术团队。加强内部管理,确保公司运营合规、高效。通过这些措施,可以有效提升结构加固公司的资质等级,为客户提供更优质的服务。
结构加固公司资质要求
结构加固公司资质是指企业在进行建筑结构加固工程时必须具备的法定资格证明。以下是根据搜索结果整理的结构加固公司资质的相关信息:
资质等级划分
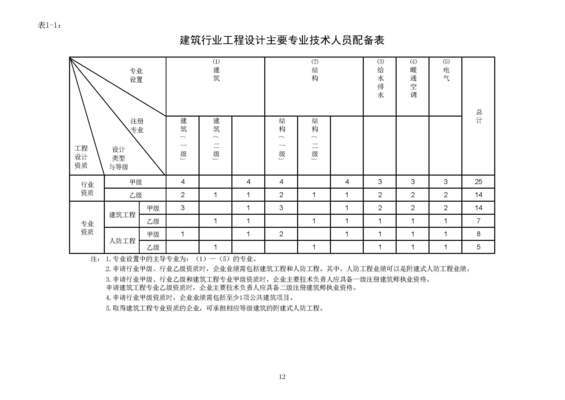
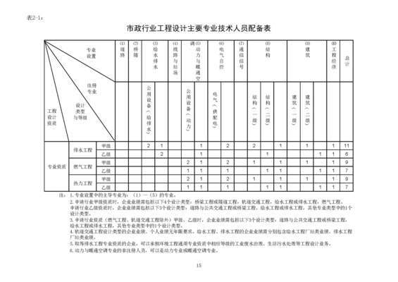
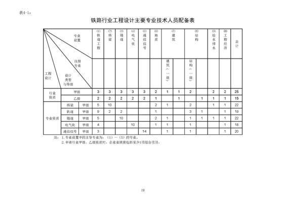
根据国家制定的建筑结构加固行业资质等级标准,资质等级分为七级,从高到低分别为特级、一级、二级、三级、四级、五级和六级。不同的资质等级代表了企业或个人在技术能力和业务水平上的差异,高等级的资质意味着更高的技术水平和更出色的业绩表现。
资质等级条件
特级资质:获得特级资质的企业或个人必须具备国内外出色大型项目经验和作为主要技术骨干参与国家重大建筑结构加固科研项目的经验;有科技成果、专利技术等的创新能力,具备独立承担重大、复杂工程的能力;具有完备的质量管理体系和安全管理制度,且在实际工作中表现出色。
一级资质:企业或个人在建筑结构加固行业中具有较高的技术水平和业务能力,有较长时间从事建筑结构加固的经验和较为出色的业绩;具有较强的科技创新能力、工程技术管理能力和施工能力;具备完善的质量管理和安全管理体系。
二级资质:企业或个人在建筑结构加固行业中具有一定的技术能力和业务水平,有一定的施工经验和业绩;具备较强的工程技术管理和安全管理能力;具备一定的科技创新能力和质量管理能力。
三级资质:企业或个人在建筑结构加固行业中具有较低的技术能力和业务水平,有一定的施工经验。
资质申请流程
申请建筑加固资质的企业或个人需要准备一系列材料,包括资质申请表、营业执照、企业章程、技术实力、工程经验、技术人员及设备等。这些材料需要提交给当地建设行政主管部门,并经过审核和考核后方可获得资质证书。
资质的重要性
资质是建筑加固行业中的重要凭证,它不仅是企业承接工程的必要条件,也是保证工程质量和服务水平的基础。拥有资质的公司能够更好地应对各种加固工程挑战,同时也能够在市场竞争中占据有利位置。
综上所述,结构加固公司资质是企业合法开展业务的前提,也是衡量企业技术能力和业务水平的重要标准。企业在申请资质时需要满足一定的条件,并通过相关部门的审核和考核。资质等级的不同将直接影响企业所能承担的工程项目类型和规模。

如何提升结构加固公司资质等级?
结构加固资质申请所需材料清单
资质等级对加固工程影响分析
建筑结构加固行业资质等级标准








